Tefifon Koffergerät mit Transistoren für Akku- und Netzbetrieb

 

 

Dieses Gerät ist ein Schallbandspieler, in dem auch ein Mittelwellenradio eingebaut ist. Das Schallband war eine Entwicklung der Firma "Tefifon", die das System Mitte der 1950' er Jahre auf den Markt brachte. Es wurden verschiedene Heimgeräte, mit und ohne Radio und später auch Koffergeräte, wie dieses, hergestellt. Das System hat sich aber nicht durchsetzen können. Heute ist es eine Kuriosität und auch nicht so bekannt.
Das Prinzip ist das gleiche, wie bei der Schallplatte. Nur das sich hier die Rillen auf einem Endlosband aus Kunststoff befinden. Dieses Band ist in einer Kassette aufgewickelt. Eine Schlaufe des Bandes führt aus der Kassette heraus und wird in den Transportmechanismus (Die große Antriebsrolle und zwei kleine Andruckrollen) eingefädelt. Der Tonabnehmer, eine Nadel, tastet die Rillen von oben nach unten ab.

Da ich noch einen zweiten Schallbandspieler besitze, der aber leider in einem sehr schlechten Zustand ist, habe ich noch einige andere Kassetten. Die Spieldauer einer Kassette ist rund eine Stunde. Es gibt auch vier Stunden Kassetten, 18 Minuten Kassetten und drei Minuten Kurzbänder.
Letztere bestehen aus einer einzigen Endlosschleife ohne Kassette, die mittels eines speziellen Adapters auf dem Gerät abgespielt werden können.

Dieses Gerät habe ich mir zugelegt, um alle Kassetten bis zum Ende, ohne Unterbrechungen abspielen zu können. Außerdem ist die Nadel noch in einem guten Zustand, so dass die Tonqualität auch zufriedenstellend ist.
Um einen Eindruck von der Tonqualität zu bekommen habe ich ein Musikstück von einer Kassette digitalisiert. Die Widergabequalität unterscheidet sich bei den Kasetten sehr stark. Der Ton ist mehr oder weniger leicht verzerrt und die Knackgeräusche, aufgrund von Staub usw., sind auch mehr oder weniger stark ausgeprägt. Auch Kassetten die äußerlich sehr gut aussehen können sich schlechter anhören als welche, deren Äußeres eher eine mäßige Widergabequalität vermuten lässt.
Die Musik auf den Kassetten ist der damaligen Zeit entsprechend. Es überwiegen deutsche Schlager. Bekannte englischsprachige Stücke sind mit deutschem Text versehen. Einige Inhalte sind für den heutigen Geschmack sehr schräg, wie das Audiobeispiel, welches von einer Kassette mit dem Titel "Rund ums Hofbräuhaus" stammt.

Die Audiodatei kann man sich hier anhören.

Mit Hilfe einer drahtgebundenen Fernbedienung kann man die Position des Tonabnehmers steuern um damit bestimmte Lieder auf der Kassette auszuwählen. Mit dem Mittelwellenradio lassen sich Mittelwellensender empfangen. Es gibt eine eingebaute Feritantenne und zwei Antennenanschlüsse, für eine Dachantenne und eine Autoantenne.
Das Gerät lässt sich am Stromnetz und mit Hilfe des eingebauten Akkus auch unterwegs betreiben. Zusätzlich ist noch eine Buchse für eine 6 V Stromversorgung im KFZ vorgesehen.

Das Gerät ist mit Germaniumtransistoren u.a. OC 303 aufgebaut. Der Antriebsmotor ist ein Gleichstrommotor, dessen Gleichlauf mittels eines Fliehkraftschalters geregelt wird. Der vorhandene Nickel Cadmium Akku lässt sich noch aufladen. Das reicht dann für die Wiedergabe einer Stundenkassette.

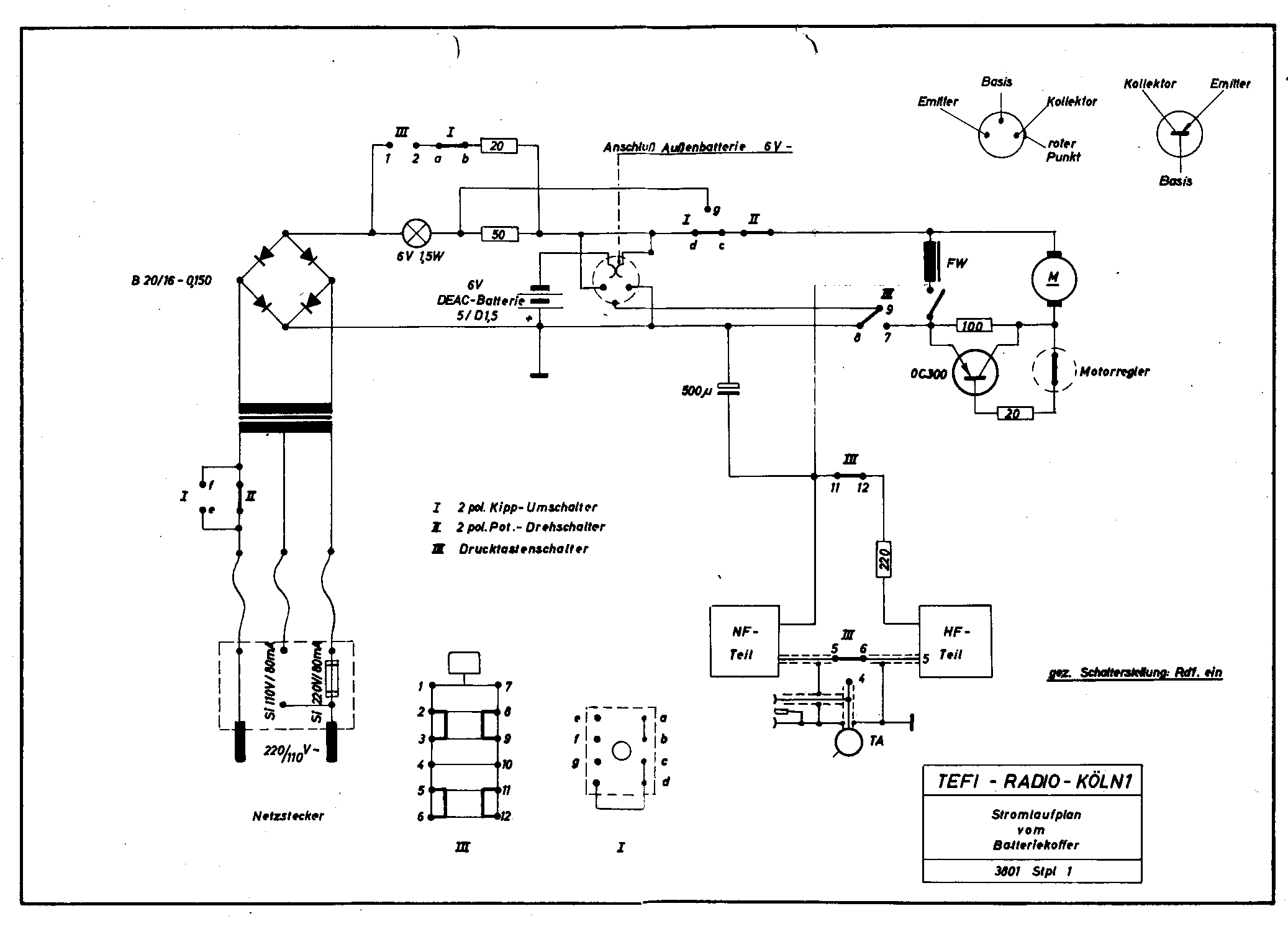
Schaltplan des Gerätes

Die Schaltpläne kann man durch Anklicken vergrößern

 

 

Weitere Bilder vom inneren Aufbau des Gerätes, kann man hier sehen.

Restauration des eingebauten Akkus

Bei einem Akku, der schon einige Jahrzehnte alt ist, kann man davon ausgehen, dass dieser nur noch einen Bruchteil seiner Kapazität hat.
Deshalb habe ich diesen ersetzt. Das Aussehen des Akkus sollte natürlich nicht verändert werden. Zuerst habe ich den Deckel des Akkus geöffnet um die einzelnen Zellen entfernen zu können.
Dabei war nicht zu übersehen, dass die Zellen hinüber sind:

 

 

Jetzt mußten die alten Zellen entfernt werden. Der Akku sollte genau die gleiche Kapazität haben, wie der ursprüngliche. Dadurch waren keine Änderungen an der Ladeschaltung nötig, die nur aus einer Glühlampe als Stromregulator und zwei zusätzlichen Vorwiderständen, für den Netz- bzw. Pufferbetrieb, besteht. Da heutige Akkus, bei gleicher Kapazität, wesentlich geringere Abmessungen haben, war es möglich neue Zellen in das Kunststoffgehäuse einzubauen.
Da die Nennspannung 6 Volt beträgt habe ich fünf Nickel Cadmium Zellen, (je 1,2 Volt) mit 1500 Milliamperestunden, besorgt.
Die Zellen sind mit Lötfahnen versehen, so das ich diese leicht miteinander verbinden konnte:

 

 

 

Nun mußten noch die Zellen mit Schaumstoff im Gehäuse fixiert und die originalen Anschlussdrähte angelötet werden:

 

 

Der geschlossene Akku sieht dann so aus:

 

 

Nach dem Einbau des Akkus mußte ich den Akku erst mal 14 Stunden aufladen. Diese Zeit mußte eingehalten werden, um ein Überladen des Akkus zu verhindern. Nun kann man im Akkubetrieb schon mehrere Kassetten abspielen. Die Restauration war also erfolgreich. Um den neuen Akku möglichst lange zu erhalten muß auf die Einhaltung der Ladezeit geachtet werden. Zur Vermeidung des Memory-Effekts sollte der Akku auch immer vollständig entladen werden, bevor er wieder neu geladen wird. Zur Sicherheit schalte ich beim Laden eine Zeitschaltuhr zwischen Gerät und Steckdose, die das Gerät nach 14 Stunden vom Netz trennt. Falls ich vergessen sollte, den Betriebsartenschalter von "Laden" auf "Betrieb" umzuschalten, kann der Akku nicht mehr überladen werden. Bisher wusste ich nicht wie die Ladeschaltung aufgebaut ist. Deshalb hatte ich vermutet, dass der Akku wieder entladen wird, wenn das Gerät vom Netz getrennt und der Schalter vorher nicht auf "Betrieb" umgeschaltet wird. Den Schaltplan des Gerätes habe ich nach langer Zeit nun doch noch bekommen. Im Ladebetrieb ist der Akku, über eine Glühlampe, direkt mit dem Gleichrichter verbunden. Wird die Netzspannung abgeschaltet, kann kein Strom vom Akku über den Gleichrichter durch die Sekundärwicklung des Netztransformators fließen. Die Benutzung der Zeitschaltuhr ist also gut geeignet, um ein Überladen des Akkus zu verhindern, ohne den Originalzustand des Gerätes zu verändern.
Steht der Betriebsartenschalter auf "Betrieb", wird der Akku im Pufferbetrieb ständig nachgeladen, wenn der Netzstecker gesteckt ist. Das würde langfristig auch dem Akku schaden, weshalb ich auf diese Betriebsart nach Möglichkeit verzichte und diese nur sehr selten nutze.
Heute braucht man beim Laden von Akkus, Dank elektronischer Ladestromabschaltung, nicht mehr so viel Sorgfalt walten lassen, wie früher.

Zweite Restauration des eingebauten Akkus

Nach vier Jahren Betriebsdauer hatten die "neuen" Nickel Cadmium Zellen nur noch wenig Kapazität. Gerade mal drei Kassetten, mit je einer Stunde Spieldauer, ließen sich noch mit voll geladenem Akku abspielen. Außerdem hatten sich die Zellen nach kurzer Zeit selbst entladen. Die Zellen des Akkus mußten also erneut ersetzt werden.
Dieses mal habe ich mir fünf Nickel Metallhydrid Zellen mit der gleichen Kapazität besorgt:

 

 

Diese wurden wieder an die originalen Anschlußdrähte gelötet:

 

 

Anschließend mit Schaumstoff im Gehäuse fixiert und Dieses geschlossen:

 

 

Die neuen Zellen sind noch kompakter, als ihre Vorgänger. Nikel Metallhydrid Akkus sind unempfindlicher gegen Überladung und haben auch keinen Memory-Effekt, wie Nickel Cadmium Akkus. Da ich die originale Ladeschaltung trotz anderer Akkuzellen nicht verändern wollte, musste ich mir überlegen ob das Laden mit Dieser überhaupt funktioniert. Da die Kapazität des Akkus gleich geblieben ist, würde sich der Ladestrom nicht wesentlich ändern. Empfohlen wird ja immer ein Zehntel des Betrages der Kapazität. Wohl die Ladedauer ändert sich. Diese beträgt bei Nickel Metallhydrid Akkus 16 Stunden. Die Zeitschaltuhr wird also auf 16 Stunden eingestellt, um ein Überladen zu verhindern. Jetzt wird sich zeigen müssen, wie lange diese Zellen durchhalten.